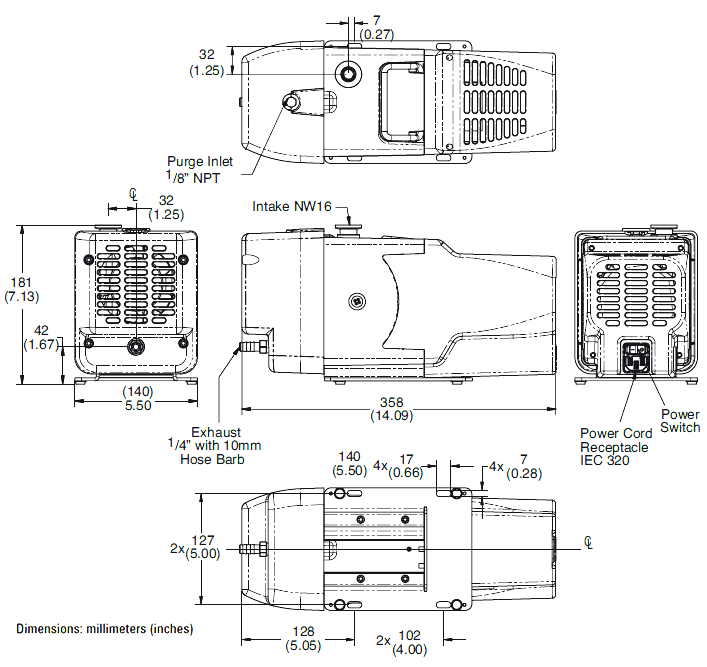
Agilent IDP-3 Oil-Free Compact Dry Scroll Pump — 2.1 CFM, 110V
The Agilent IDP-3 is the smallest dry scroll pump in the IDP series, delivering 2.1 CFM (60 L/min) pumping speed in a compact 21-pound package. Despite its small size, the IDP-3 achieves a base pressure of 250 milliTorr — the highest performance in its class for a dry pump of this footprint.
The oil-free scroll design isolates the vacuum space from all mechanical components, preventing sample contamination. Single-sided scroll construction allows a straightforward 15-minute maintenance procedure with simple tools. The 110V configuration is designed for standard North American power outlets. Ideal for OEM integration, benchtop instruments, and small vacuum systems.

